"Железо", разработки для БК

"Модем"


однобитный звуковой АЦП


музыкальный сопроцессор


Цветная палитра высокого разрешения


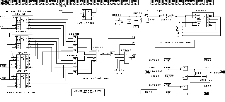
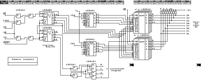
ТВ-сканер